- 产品概况
- 功能结构
- 规格参数
- 资料下载
- 视频
闭循环制冷机恒温器(光学紧凑)
产品概要:
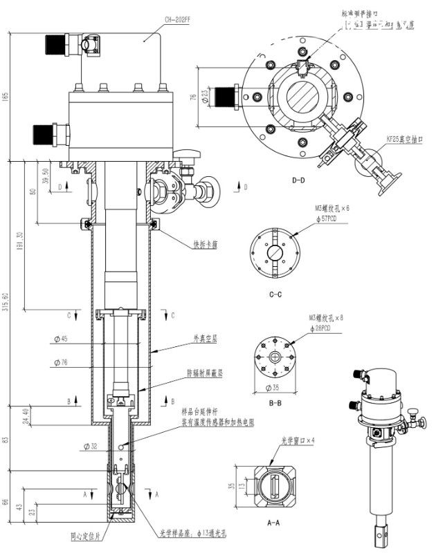
闭循环制冷机恒温器是一种不消耗液氮或液氦,消耗电能就可以降到4K以下的一种科研冷却系统。
基本信息:
恒温器根据制冷机的功率分为两种大的型号:一种是10K恒温器,一种是4K恒温器。同时10K和4K恒温器又细分为光学型和电学型,光学型和电学型又分别分为普通型和紧凑型。
技术优势:
1、光学紧凑型恒温器具有体积小、操作方便、可放置磁场中等优点
2、恒温器带有4个光学窗口,方便使用者从样品垂直方向和水平方向打入光束
3、根据用户要求可提供样品处于真空或气氛中的低温温器,还可根据应用要求提供不同尺寸的样品台、真空外罩等。
应用方向:
主要用于低温、真空环境下的磁学测量、光学测量、光电反应、光反射、荧光和磁阻等试验。
闭循环制冷机恒温器(光学紧凑)

闭循环制冷机恒温器(光学紧凑)


